欢迎光临江苏如克环保设备有限公司官网!
生产销售各种规格潜水搅拌机、污水处理智能掌上化管理,您新势力的选择
全国咨询热线:15996306306   025-66066448
联系我们

江苏如克环保设备有限公司

地址: 江苏省南京市六合区横梁街道新簧工业园园区中路1号

手机:15996306306

邮箱:china@ruke.cn

当前位置:首页>>如克产品>>搅拌机

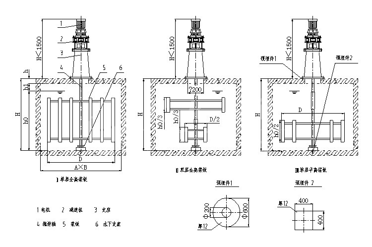
立式环流大板框架搅拌机污水搅拌机污泥桨板搅拌器干式搅拌

江苏如克环保设备有限公司(ruke)是致力于向全球提供高性价比的污水处理设备制造品牌,管理系统融入IT技术,质量可追溯,持续研发产品高性价比、电商营销模式和分流式售后服务体系提升产品性价比,从而将如克推向一个快速有序的规模化高新技术企业!

产品详情